Наші проєкти за розділом Технологічні рішення
Наш досвід охоплює понад 100 проєктів. Ознайомитись зі списком видів проектів можна нижче:
- Виробництво металевої упаковки;
- Технічне переоснащення сталедротового комплексу з встановленням нового обладнанняі організацією ділянки виробництва зварної сітки 2D-3D;
- Нове будівництво цеху сушіння фруктів та упаковки чаю, продуктивністю 2000 т/рік готової продукції;
- Цех з виробництва гофрокартона і його переробки з об’ємом паперу, що переробляється, 50тис.т. на рік;
- Капітальний ремонт приміщень з розміщенням комп’ютерного томографа;
- Капітальний ремонт приміщень під розміщення рентген апарату в будівлі нового хірургічного корпусу. Радіаційна безпека;
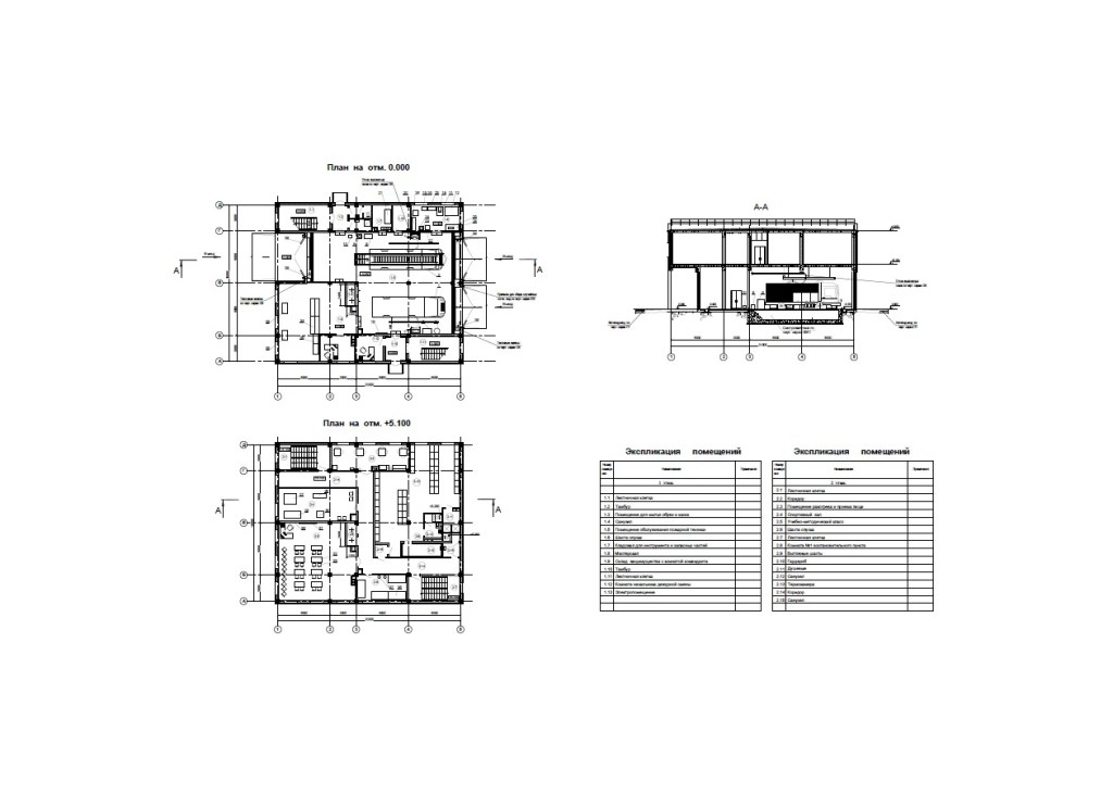
- Нове будівництво станції технічного обслуговування;
- Реконструкція частини головного корпусу КНП «Міська клінічна лікарня № 4» під відділення інтенсивної терапії та трансплантації – сепарації клітин крові (блок № Г,Д);
- Проект утримання та реконструкції парку – пам’ятки садово-паркового мистецтва місцевого значення;
- Нове будівництво будівлі дільниці фільтрації сиропів;
- Капітальний ремонт комунального закладу дошкільної освіти;
- Склади (склад сипких матеріалів, склад кег, склад вапняку та коксу, склад вугілля, склад допоміжних матеріалв, склад нафтопродуктів, склад мастил, склад цементу та інш.);
- АЗС зі складом ПММ;
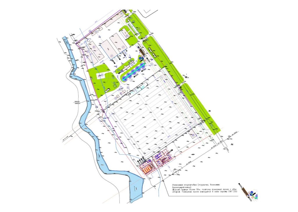
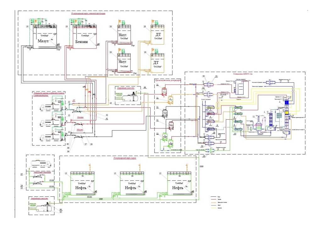
- Нафтопереробний завод;
- Пожежне депо;
- Локомотивне депо;
- Завод кормів;
- Агркомплекс (теплиці з вирощування томатів та огірків, цех мініральної води, цех соління овочів та соків, логістична база, зерносховище із зерноочисним та сушильним комплексом);
- Конвеєрна подача матеріалів, перевантажувальні вузли;
- Пневмотранспорт пилу, цементу, вапна, пиловугільного палива, поліетиленових гранул, та інш;
- Проект розширення тваринницького комплексу на 840 голів прив’язного утримання молодняку на відгодівлі 6-12 місяців;
- Комплекс із виробництва молока на 1200 корів;
- Агропромисловий переробний комплекс:
– тепличне господарство з вирощування томатів та огірків загальною площею 3,0 га;
– виробництво консервованих овочів (максимальною потужністю 12,5 млн. умовних банок на рік або до 5,0 тис.т перероблених овочів на рік);
– логістичну базу та складський комплекс (фруктово-овочесховище) загальною ємністю одноразового зберігання до 5,0 тис.т;
– цех з розливу мінеральних та фруктових води (включаючи власну свердловину);
– зерносховище на 10,0 тис.т із зерноочисним та сушильним комплексом 30 т/год;
– автопарк з 30 одиницями сільськогосподарської та спецтехніки; - Проект технічного переоснащення механічного цеху з виготовлення коліс зубчастих.








