Послуги з проєктування промислових та цивільних об’єктів
Ми готові запропонувати наступні послуги у сфері проєктування промислових та цивільних об’єктів наступних класів відповідальності: СС1, СС2, СС3. Короткий перелік послуг:
- Розробка інженерних розділів
- Проєктні роботи
- Проєктування
Ознайомитись з повним переліком послуг проєктування промислових та цивільних об’єктів
Проєктування здійснюється для об’єктів класів відповідальності: СС1, СС2, СС3

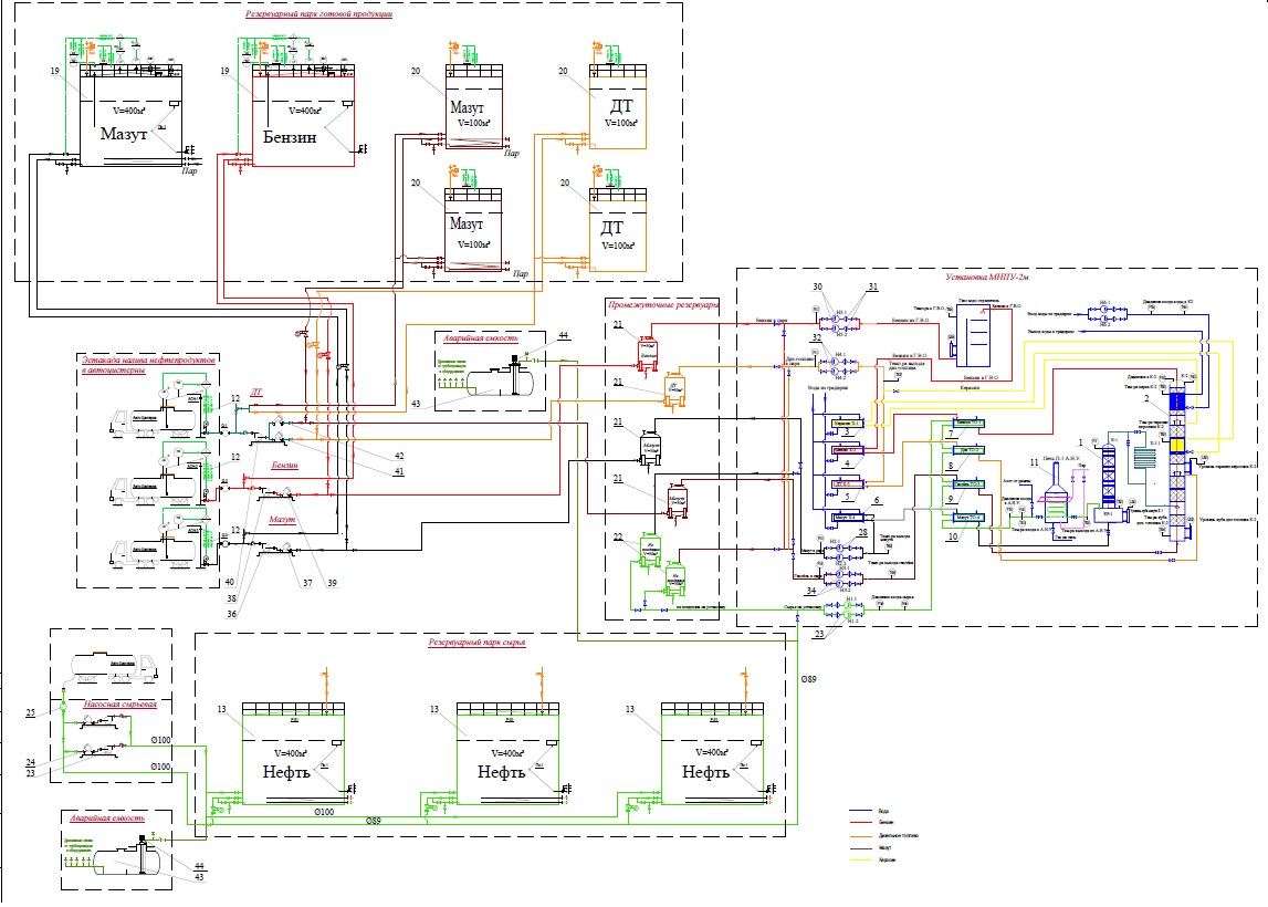
Розробка розділу “Технологія виробництва”
- Розробка об’ємно-планувальних рішень з розміщенням технологічного обладнання
- Розробка схем технологічних потоків
- Розробка та видача детальних завдань для інженерних розділів з підключення технологічного обладнання
- Розробка технічних завдань на постачання технологічного обладнання
- Супровід проекту до отримання позитивного заключення експертизи
- Авторський нагляд
В процесі розробки оптимізуємо площу та ресурси під технологічні процеси, що дозволяє зекономити кошти бюджету проекта на етапі реалізації та подальшої експлуатації об’єкта
Також пропонуємо
- Послуги ГІП
- Планування витрат, оцінка вартості проекту
- Кошторис
- Ведення переговорів з іноземними постачальниками технологічного обладнання
- Адаптація іноземних проектів до діючих норм
Розробка інженерних розділів
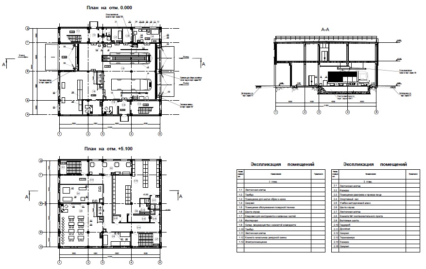
- Генеральний план (ГП)
- Архітектурні рішення (АР)
- Конструкції будівельні (КБ)
- Опалення, вентиляція (ОВ)
- Водопровід і каналізація (ВК)
- Електротехнічні рішення (ЕТР)
- Протипожежні заходи (ППМ)
- Проект організації будівництва (ПОБ)
- Оцінка впливів на навколишнє середовище (ОВНС)
Повний перелік послуг з проєктування цивільних та промислових об’єктів
Технологічне проєктування
Розробка об’ємно-планувальних рішень із розміщенням технологічного обладнання
Розробка схем технологічних потоків
Підготовка детальних завдань для інженерних розділів щодо підключення обладнання
Розробка технічних завдань на постачання технологічного обладнання
Ведення переговорів з іноземними постачальниками
Адаптація іноземних проєктів до чинних норм України
Проєктний та інженерний супровід
Послуги ГІП
Супровід проєкту до отримання позитивного висновку експертизи
Планування витрат, оцінка вартості проєкту
Кошторисна документація
Проєктні розділи
Генеральний план (ГП)
Архітектурні рішення (АР)
Конструкції будівельні (КБ)
Опалення та вентиляція (ОВ)
Водопровід і каналізація (ВК)
Електротехнічні рішення (ЕТР)
Протипожежні заходи (ППМ)
Проєкт організації будівництва (ПОБ)
Оцінка впливу на навколишнє середовище (ОВНС)
Проєктні розділи
Генеральний план (ГП)
Архітектурні рішення (АР)
Конструкції будівельні (КБ)
Опалення та вентиляція (ОВ)
Водопровід і каналізація (ВК)
Електротехнічні рішення (ЕТР)
Протипожежні заходи (ППМ)
Проєкт організації будівництва (ПОБ)
Оцінка впливу на навколишнє середовище (ОВНС)
Стадії проєктування
Передпроєктні проробки
Техніко-економічні розрахунки (ТЕР)
Техніко-економічні обґрунтування (ТЕО)
Проєкт (П) — базовий інжиніринг (BE)
Робочий проєкт (РП)
Робоча документація (Р) — детальний інжиніринг (DE)
Портфоліо реалізованих проєктів
Нижче можна ознайомитись з лише з декількома прикладами реалізованих проєктів. Загалом їх у нас понад 100. Дізнатись детальніше можна зв’язавшись з нами
Ремонтно-інструментальні цеха, СТО




Лабораторії різного виду та призначення




Складське господарство




